-0%
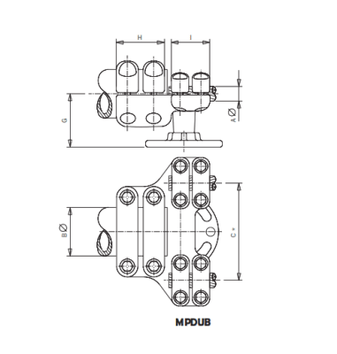
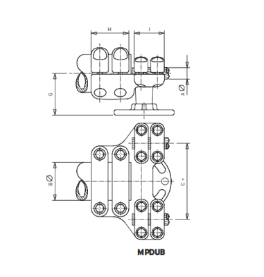
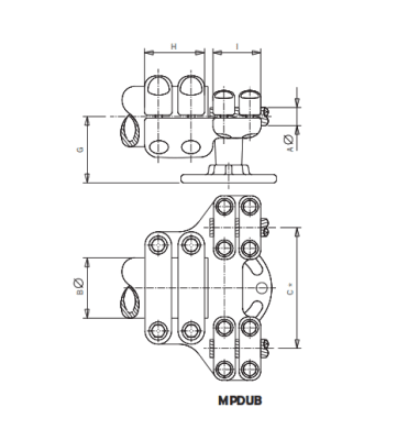
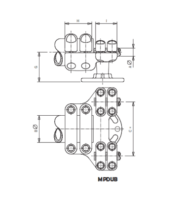
CONECTOR RECTO DE UNION TUBO A CABLE DUPLEX MONTADO SOBRE AISLADOR MPDUB-10030 ARAGCU AS1

CONECTOR RECTO DE UNION TUBO A CABLE DUPLEX MONTADO SOBRE AISLADOR MPDUB-10030 ARAGCU AS CONSULTAR STOCK POR SUCURSAL

ARAGCU SUBESTACIONES
USD 1, 200.00
Los conectores son empleados internacionalmente tanto para las conexiones Al.-Al. y Al.-Cu. por su fiabilidad e inmejorable comportamiento a efectos eléctricos y mecánicos. El diseño de estos conectores es tal que permite su aplicación en AT y MAT al encontrarse libres de la aparición de los efectos CORONA y/o RIV. 


FICHA TÉCNICA


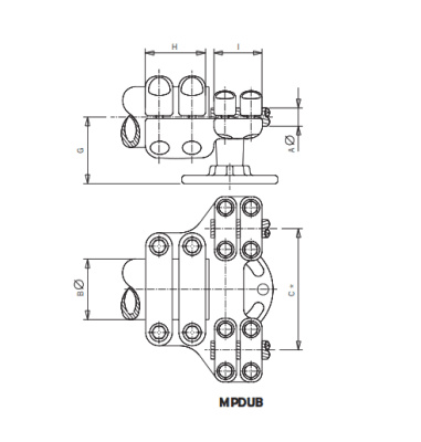
ReferenciaDimensiones mm.Par de   apriete
Pareja de serraje
(kg.m)
C*GHI
AB
MPDUB-10030
28-3080SEGUN
NOTA
1051009035



Nota
D*
1=100mm
15=150mm
2=200mm
3=300mm
33=330mm
4=400mm
45=450mm


1087614
15812718
26522518


También Podría Interesarte