-0%
CONECTOR RECTO BORNA ROSCADA CU A CABLE CU Ø:50-70MM RBRC-M1070 ARAGCU AS1

CONECTOR RECTO BORNA ROSCADA CU A CABLE CU Ø:50-70MM RBRC-M1070 ARAGCU AS CONSULTAR STOCK POR SUCURSAL

ARAGCU SUBESTACIONES
USD 300.00
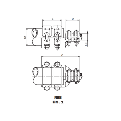
Los conectores de bronce son aptos para conexiones Cu.-Cu. entre los equipos y embarrados de SE´s de hasta 132KV. Su diseño y materiales empleados (2 o 3 tapetas independientes, Bronce: aleación de Cu. al 85%) garantizan el buen contacto y evitan las tensiones mecánicas. 


FICHA TÉCNICA


Referenciamm2BDimensiones mm.Par de   apriete
Pareja de serraje
(kg.m)
CDEINT
AAB
RBRC-M1070
50-70M-1094405040023

También Podría Interesarte