-0%
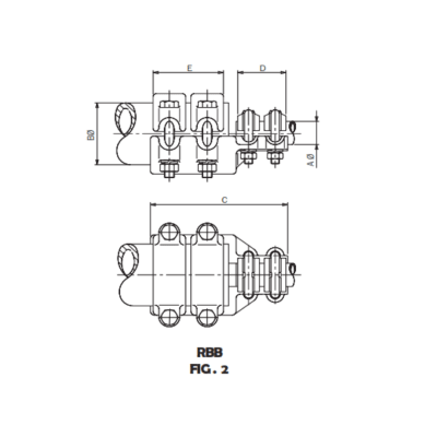
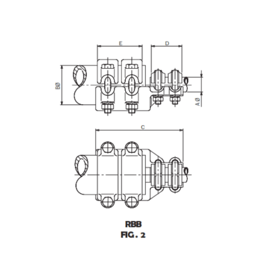
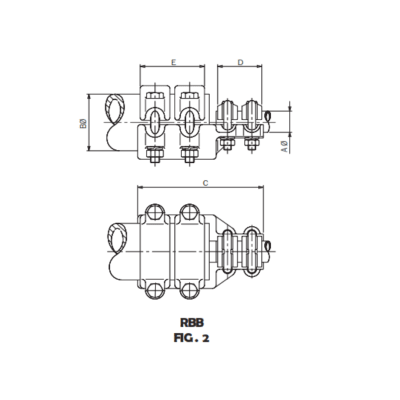
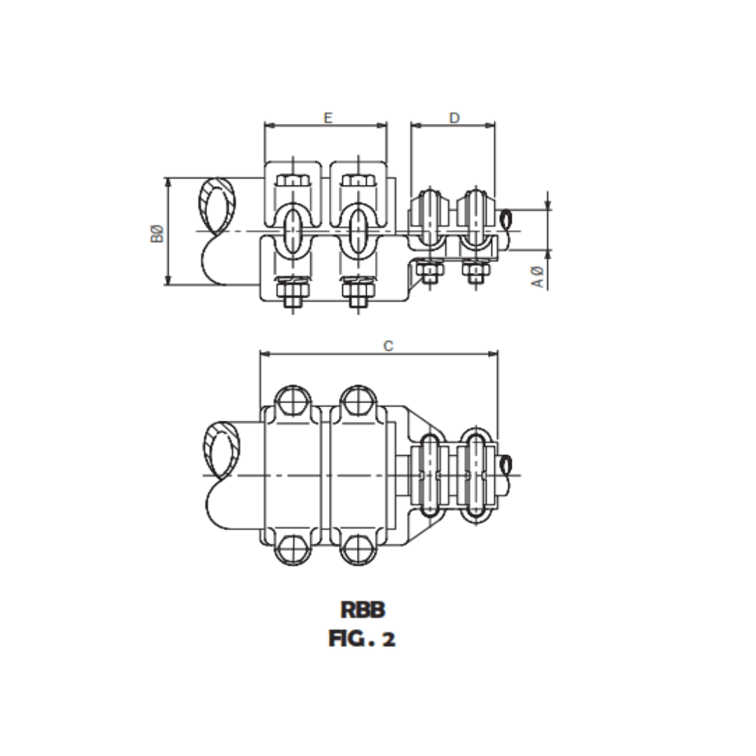
CONECTOR RECTO UNION TUBO COBRE A TUBO/BORNA COBRE Ø:50/80MM RBB-5080 ARAGCU AS1

CONECTOR RECTO UNION TUBO COBRE A TUBO/BORNA COBRE Ø:50/80MM RBB-5080 ARAGCU AS CONSULTAR STOCK POR SUCURSAL

ARAGCU SUBESTACIONES
USD 300.00
Los conectores de bronce son aptos para conexiones Cu.-Cu. entre los equipos y embarrados de SE´s de hasta 132KV. Su diseño y materiales empleados (2 o 3 tapetas independientes, Bronce: aleación de Cu. al 85%) garantizan el buen contacto y evitan las tensiones mecánicas.  


FICHA TÉCNICA


ReferenciaDimensiones mm.Par de   apriete
Pareja de serraje
(kg.m)
CDE
RBB-5080
5080180759035



También Podría Interesarte