-0%
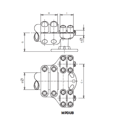
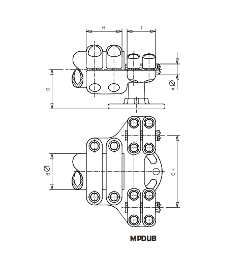
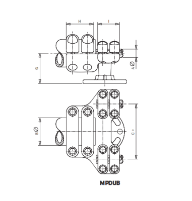
CONECTOR RECTO DE UNION TUBO A CABLE DUPLEX MONTADO SOBRE AISLADOR MPDUB-15035 ARAGCU AS1

CONECTOR RECTO DE UNION TUBO A CABLE DUPLEX MONTADO SOBRE AISLADOR MPDUB-15035 ARAGCU AS CONSULTAR STOCK POR SUCURSAL

ARAGCU SUBESTACIONES
USD 1, 800.00
Los conectores son empleados internacionalmente tanto para las conexiones Al.-Al. y Al.-Cu. por su fiabilidad e inmejorable comportamiento a efectos eléctricos y mecánicos. El diseño de estos conectores es tal que permite su aplicación en AT y MAT al encontrarse libres de la aparición de los efectos CORONA y/o RIV.  


FICHA TÉCNICA


ReferenciaDimensiones mm.Par de   apriete
Pareja de serraje
(kg.m)
C*GHI
AB
MPDUB-15035
33-35150SEGUN
NOTA
1701209057



Nota
D*
1=100mm
15=150mm
2=200mm
3=300mm
33=330mm
4=400mm
45=450mm


1087614
15812718
26522518


También Podría Interesarte