-0%
YUGOS TRIANGULARES Ø:18MM L:90X450MM MODELO Y-16/450-22 ARAGCU AT1
YUGOS TRIANGULARES Ø:18MM L:90X450MM MODELO Y-16/450-22 ARAGCU AT2

YUGOS TRIANGULARES Ø:18MM L:90X450MM MODELO Y-16/450-22 ARAGCU AT CONSULTAR STOCK POR SUCURSAL

ARAGCU ALTA TENSION
USD 0.00

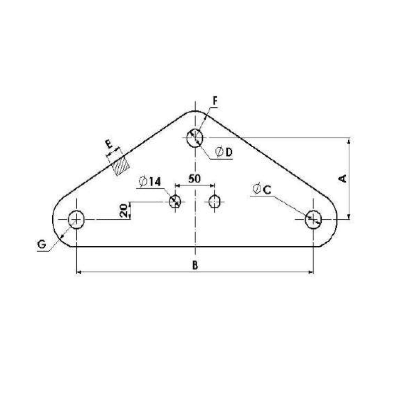
Estos yugos son utilizados para formar configuraciones con doble cadena de aisladores y conductor sencillo o bien cadena de aisladores simple y doble conductor. Van provistos de taladros para alojar las protecciones.

FICHA TÉCNICA


ReferenciaCódigoTamaño (mm)Carga de rotura   (KN)Peso (KG)
ABCDEFG
Y-16 / 450-22
.....
90450
17,5
22
18302522.000


También Podría Interesarte