-0%
YUGOS TRIANGULARES Ø:22MM L:90X400MM MODELO Y-16/400-25 ARAGCU AT1
YUGOS TRIANGULARES Ø:22MM L:90X400MM MODELO Y-16/400-25 ARAGCU AT2

YUGOS TRIANGULARES Ø:22MM L:90X400MM MODELO Y-16/400-25 ARAGCU AT CONSULTAR STOCK POR SUCURSAL

ARAGCU ALTA TENSION
USD 289.20

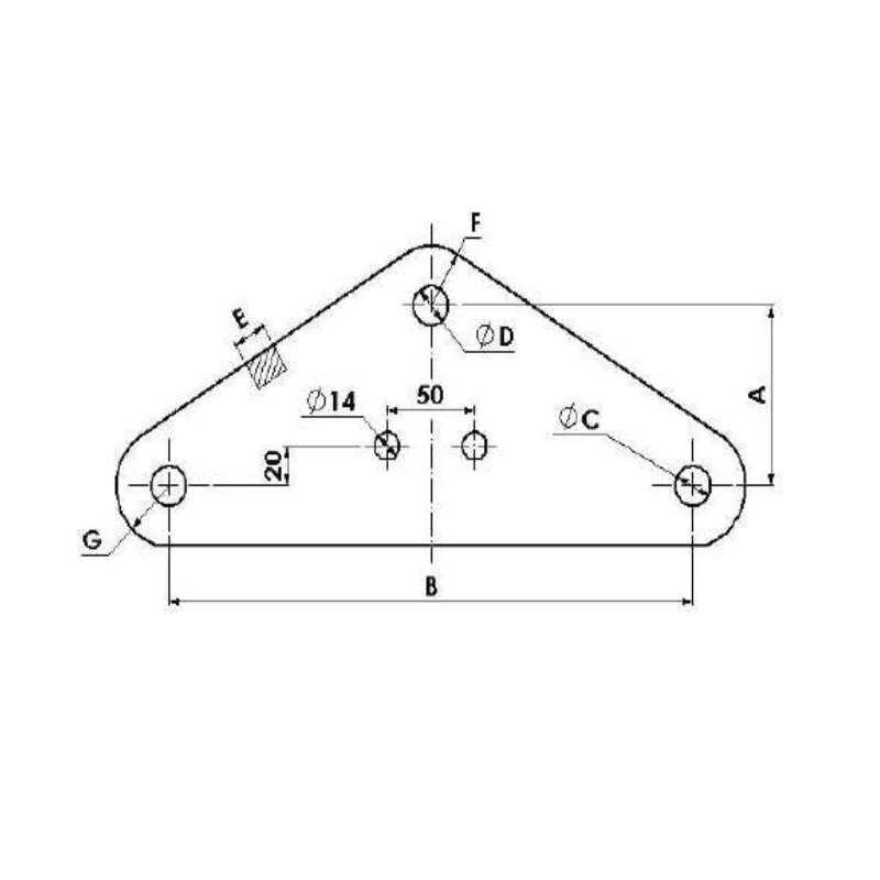
Estos yugos son utilizados para formar configuraciones con doble cadena de aisladores y conductor sencillo o bien cadena de aisladores simple y doble conductor. Van provistos de taladros para alojar las protecciones.

FICHA TÉCNICA


ReferenciaCódigoTamaño (mm)Carga de rotura   (KN)Peso (KG)
ABCDEFG
Y-16 / 400-25
3252
9040017,5
24
22352525.000
7.23


También Podría Interesarte