-0%
YUGOS TRIANGULARES Ø:22MM L:90X400MM MODELO Y-20/400-21 ARAGCU AT1
YUGOS TRIANGULARES Ø:22MM L:90X400MM MODELO Y-20/400-21 ARAGCU AT2

YUGOS TRIANGULARES Ø:22MM L:90X400MM MODELO Y-20/400-21 ARAGCU AT CONSULTAR STOCK POR SUCURSAL

ARAGCU ALTA TENSION
USD 307.20

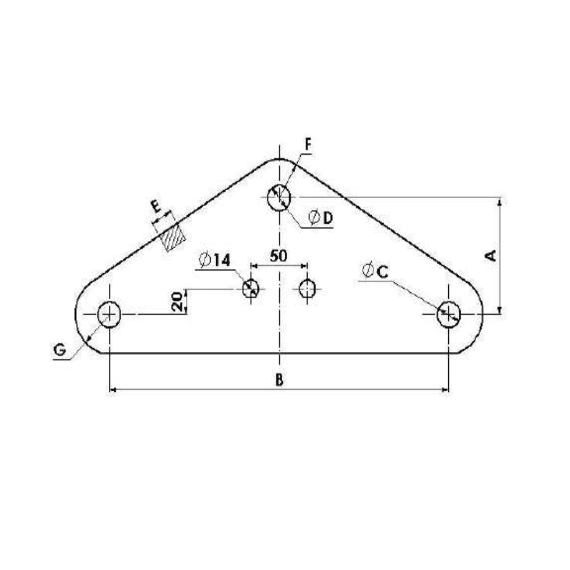
Estos yugos son utilizados para formar configuraciones con doble cadena de aisladores y conductor sencillo o bien cadena de aisladores simple y doble conductor. Van provistos de taladros para alojar las protecciones.

FICHA TÉCNICA


ReferenciaCódigoTamaño (mm)Carga de rotura   (KN)Peso (KG)
ABCDEFG
Y-20 / 400-21
3493
9040020
20
22303021
7,68


También Podría Interesarte