-0%
GRAPAS A COMPRESION C-185-AA PARA CONDUCTOR MODELO AAAC 185 ARAGCU AT1

GRAPAS A COMPRESION C-185-AA PARA CONDUCTOR MODELO AAAC 185 ARAGCU AT CONSULTAR STOCK POR SUCURSAL

ARAGCU ALTA TENSION
USD 0.00

- Acabado de las palas para lograr un contacto electrico excelente.
- Las palas de conexión electrica se suministran con pasta protectora.
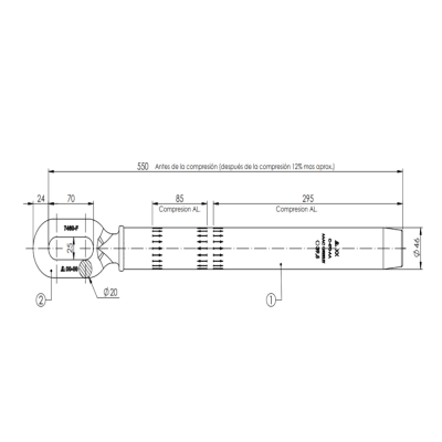
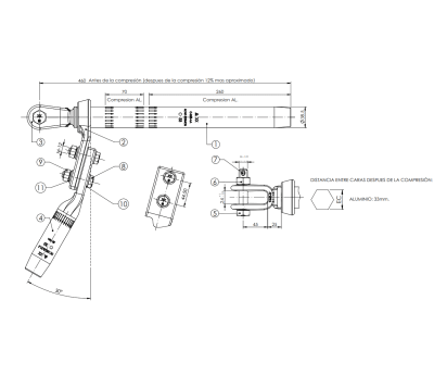
- Dimensiones de la derivación de acuerdo a NEMA CC 1-2009.
- Fabricado según norma IEC 61284
- Las tolerancias generales se especifican según: Menor o igual a 35 mm. ±0.7 mm. Superior a 35 mm. ±2%
- Galvanizado en caliente según la norma ISO 1461

FICHA TÉCNICA



ReferenciaC-185-AA
Código12653-M
Medida185MCM
Comprensión AL60
Comprensión AL
225
Material Aluminio
Peso1.56kg


También Podría Interesarte