-0%
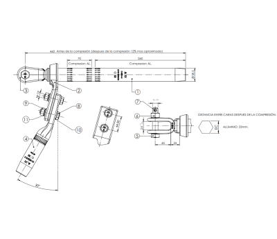
GRAPAS DE ANILLA FINAL MODELO CF-126-AC AWG 19#9 7644 ARAGCU AT1

GRAPAS DE ANILLA FINAL MODELO CF-126-AC AWG 19#9 7644 ARAGCU AT CONSULTAR STOCK POR SUCURSAL

ARAGCU ALTA TENSION
USD 0.00

- Fabricado según norma IEC 61284
- Las tolerancias generales se especifican según:
Menor o igual a 35 mm. ±0.7 mm. Superior a 35 mm. ±
- Galvanizado en caliente según la norma ISO 1461

FICHA TÉCNICA

TipoGrapa de anilla
Código7644
MaterialAcero/Aluminio
Medida470
Presión85AL-10AC-95AL
Diámetro? 46
Peso2.86KG

También Podría Interesarte