-0%
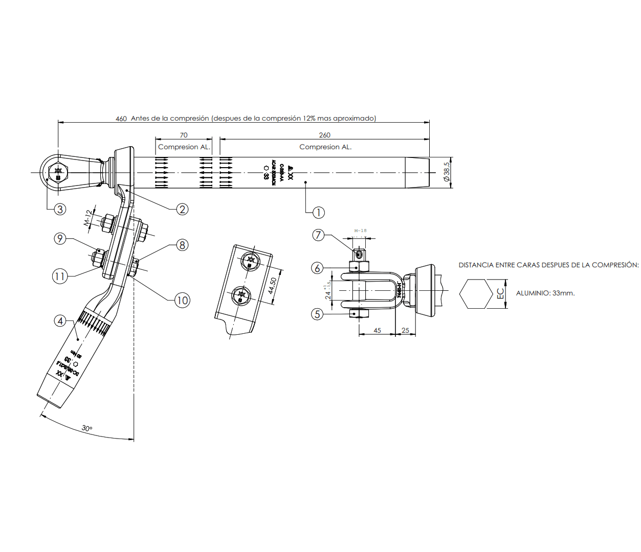
GRAPAS A COMPRESION CH-253-AA PARA CONDUCTOR MODELO AAAC/ACAR 500 MCM ARAGCU AT1

GRAPAS A COMPRESION CH-253-AA PARA CONDUCTOR MODELO AAAC/ACAR 500 MCM ARAGCU AT CONSULTAR STOCK POR SUCURSAL

ARAGCU ALTA TENSION
USD 0.00

- Acabado de las palas para lograr un contacto electrico excelente.
- Las palas de conexión electrica se suministran con pasta protectora.
- Dimensiones de la derivación de acuerdo a NEMA CC 1-2009.
- Fabricado según norma IEC 61284
- Las tolerancias generales se especifican según: Menor o igual a 35 mm. ±0.7 mm. Superior a 35 mm. ±2%
- Galvanizado en caliente según la norma ISO 1461

FICHA TÉCNICA



ReferenciaCH-253-AA
Código7015-M
Medida500 MCM
Comprensión AL70
Comprensión AL
260
Material Aluminio
Peso2.78kg


También Podría Interesarte